武汉佳盛源电气有限公司

JSYQ系列双电源自动转换开关

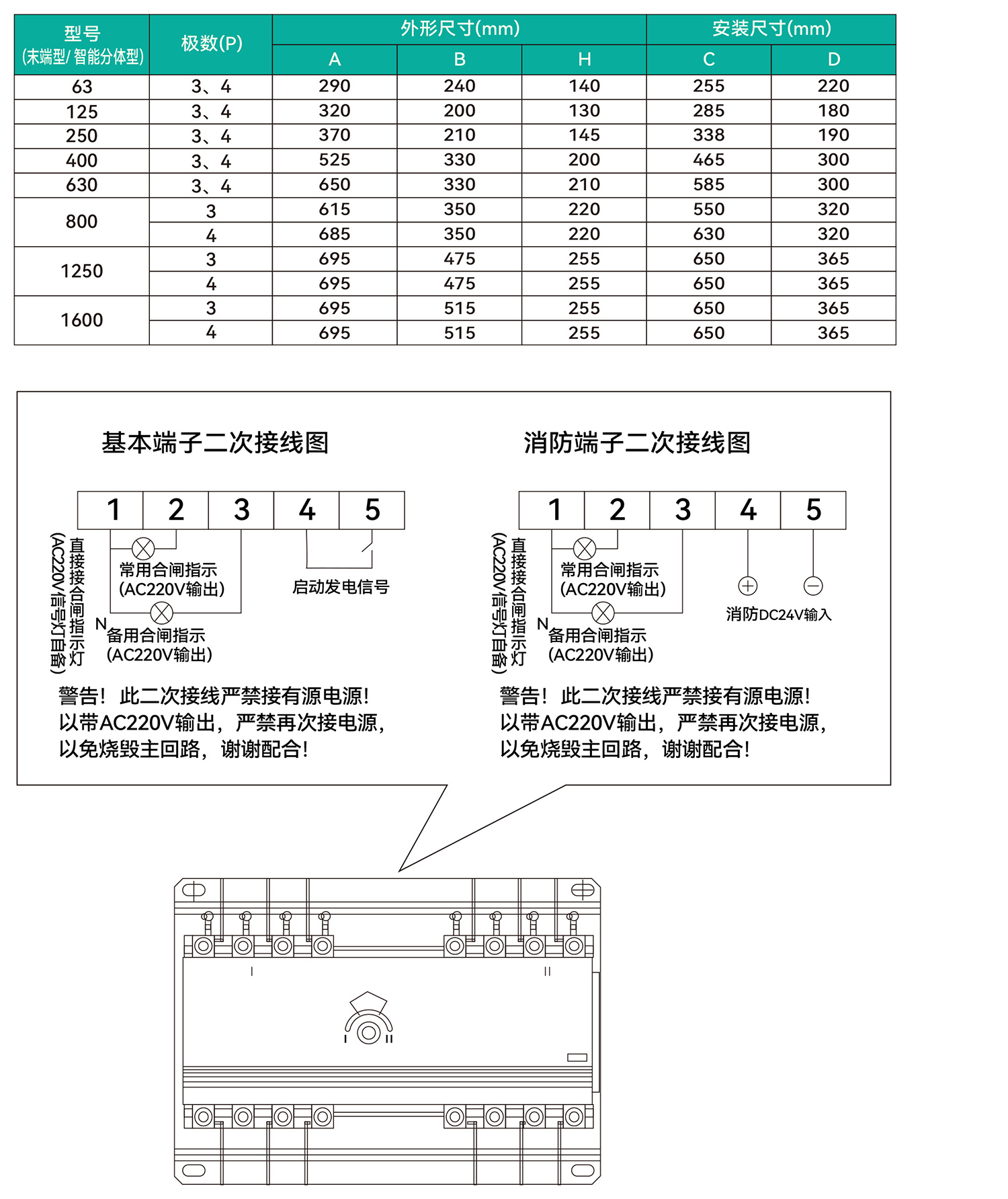
产品以实物为准,如有变更恕不另行通知!(如安装有疑问,请联系厂家)

产品中心

JSYQ系列双电源自动转换开关

JSYQ系列双电源自动转换开关

如果您有任何问题可以联系我们!
联系我们

点击
隐藏

微信
咨询


扫一扫,了解更多!

电话
咨询

027-60706029
客服热线